PRODUCTS

产品中心

*选择相应类别并查看产品
产品总汇

联系我们

手机:0577-62790080

传真:15957731121

邮箱:dinahont@163.com
rock_hont@163.com
hont888@126.com

地址:浙江省温州市乐清市柳市镇峡门工业区宏泰大厦

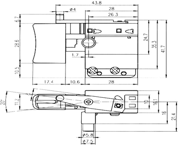
01 (防尘)交流扳机调速开关

如果您对报价或合作有任何疑问,请随时发送电子邮件给我们请使用以下查询表。我们的销售代表将在24小时内与您联系。感谢您对我们的产品感兴趣。

© 宏泰电器有限公司   浙ICP备10204162号-2   XML   网站地图   网站设计维护:传信网络